毎月1日はプラウの日。お買い物でポイント5倍が貯まります。さらにLINE連携で3%OFFが実現!
PLOW MEMBERS登録はこちらから
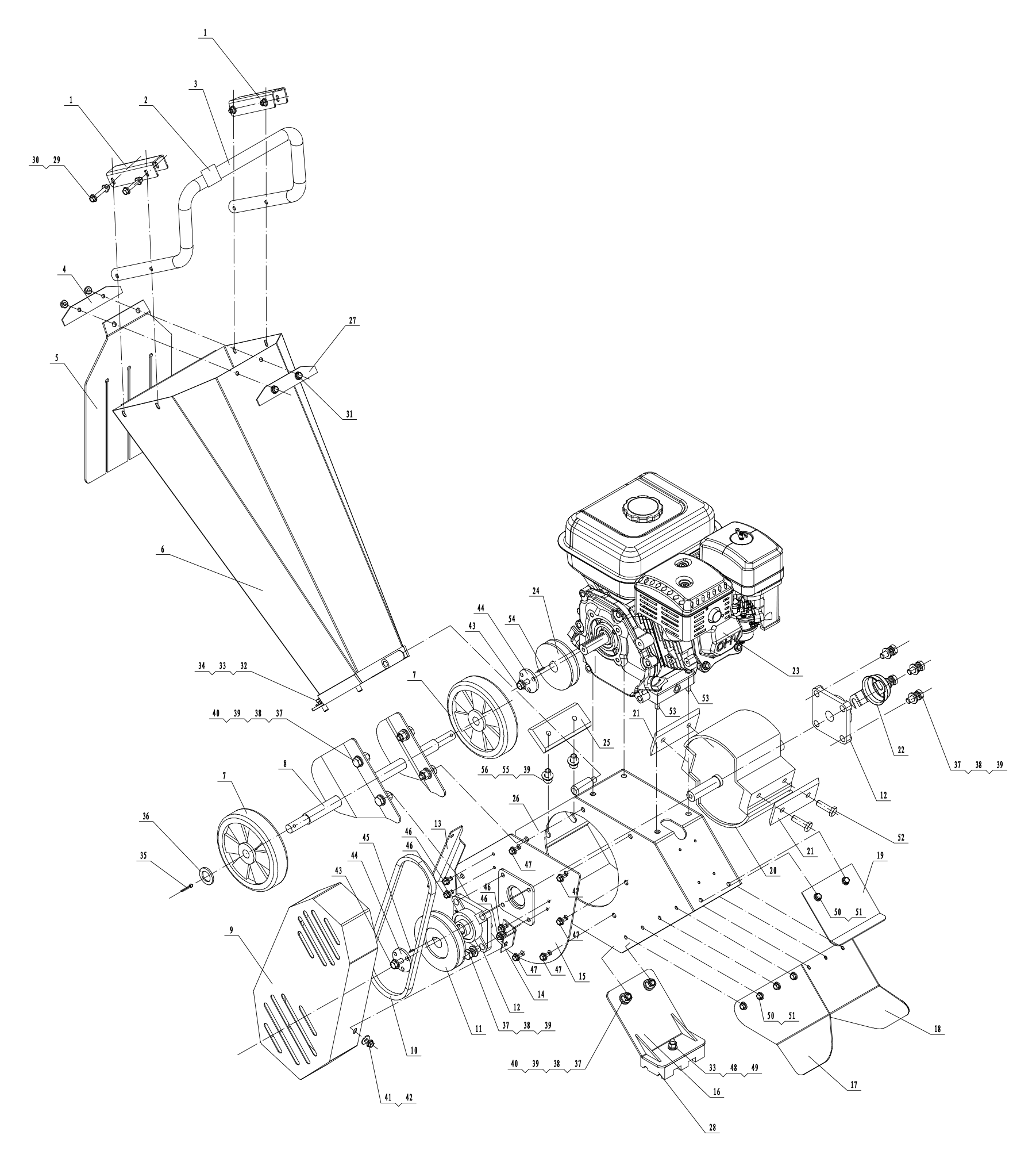
CS40KN
| 部品名 | コード番号 | 使用個数 |
|---|---|---|
| ハンドルバー取付金具 | 52624-08001 | 2 |
| イグニッションスイッチ | 52624-08023 | 1 |
| ハンドルバー | 52624-08002 | 1 |
| ゴム固定プレート | 52624-08003 | 1 |
| 飛散防止ゴム | 52624-08004 | 1 |
| 投入口 | 52624-08005 | 1 |
| ホイール | 52624-08006 | 2 |
| ホイールシャフト | 52624-08007 | 1 |
| ベルトカバー | 52624-08008 | 1 |
| ベルト | 52624-08009 | 1 |
| ドライブプーリー | 52624-08010 | 1 |
| ベアリングハウジング | 52624-08024 | 2 |
| サポートベルトカバーA | 52624-08011 | 1 |
| サポートベルトカバーB | 52624-08012 | 1 |
| サイドパネルアッセンブリ | 52624-08013 | 1 |
| サポートフット | 52624-08014 | 1 |
| 排出口右側プレート | 52624-08015 | 1 |
| 排出口左側プレート | 52624-08016 | 1 |
| 排出口上部プレート | 52624-08017 | 1 |
| ブレードホルダー | 52624-08018 | 1 |
| 破砕ブレードセット セット販売のみ |
52624-08019 | 2 |
| ベアリングカバー | 52624-08020 | 1 |
| B&Sガソリンエンジン | 52624-08021 | 1 |
| アイドルプーリー | 52624-08022 | 1 |
| 破砕ブレードセット セット販売のみ |
52624-08019 | 1 |
| ベースフレーム | 52624-08025 | 1 |
| ゴム固定プレート2 | 52624-08026 | 1 |
| ゴムパッド | 52624-08027 | 1 |
| 六角フランジボルトM6x40 | 52624-08028 | 4 |
| 六角フランジロックナットM6 | 52624-08029 | 6 |
| 六角フランジボルトM6x20 | 52624-08030 | 2 |
| 六角ボルトM8x20 | 52624-08031 | 2 |
| ばね座金8 | 52624-08032 | 3 |
| 平ワッシャー8x24x2 | 52624-08033 | 2 |
| 固定ピン3x30 | 52624-08034 | 2 |
| 平ワッシャー18 | 52624-08035 | 2 |
| 六角ボルトM10x25 | 52624-08036 | 14 |
| 平ワッシャー10 | 52624-08037 | 20 |
| ばね座金10 | 52624-08038 | 16 |
| 六角ナットM10 | 52624-08039 | 6 |
| 六角フランジボルトM6x12 | 52624-08040 | 3 |
| 平ワッシャー6x18x2 | 52624-08041 | 3 |
| 六角フランジボルトM8x20 | 52624-08042 | 2 |
| ベルトプーリーカバー | 52624-08043 | 2 |
| 平キー6x6x16 | 52624-08044 | 1 |
| 六角フランジボルトM6x8 | 52624-08045 | 4 |
| 六角フランジボルトM8x16 | 52624-08046 | 7 |
| 平ワッシャー8 | 52624-08047 | 1 |
| 六角ボルトM8 | 52624-08048 | 1 |
| 六角フランジボルトM6x16 | 52624-08049 | 10 |
| 六角フランジナットM6 | 52624-08050 | 10 |
| 超薄型六角ボルトM10x30 | 52624-08051 | 4 |
| 六角フランジボルトM8x35 | 52624-08052 | 4 |
| 平キー5x5x30 | 52624-08053 | 1 |
| 六角穴付きボルトM10x25 | 52624-08054 | 2 |
| 平ワッシャー10x22x4 | 52624-08055 | 1 |

